最坏电路分析 (WCCA)
我们提供全面的最坏情况电路分析(WCCA)服务,确保汽车电子设计在各种极端工况下都具备可靠性、稳健性以及符合相关规范要求。我们的流程基于结构化的 Excel 参数化建模方法,系统评估器件公差、温度变化、老化效应、供电波动以及最坏情况的功能边界。针对每一个电路模块——包括功率级、保护网络、传感接口、高速链路以及安全关键路径——我们都会在最大与最小边界条件下进行分析,以预测性能裕量并识别潜在的设计薄弱点。
WCCA 流程涵盖公差累积分析、类似蒙特卡洛方式的评估、敏感度分析、应力分析,以及符合主机厂与汽车行业标准的安全相关失效边界建模。我们输出清晰、可追溯的 Excel 文档,包含公式、输入参数、限值检查及自动化的通过/失败指示,以便于设计评审和资质认证使用。
通过将严谨的分析方法与工程实践经验相结合,我们帮助客户在设计早期验证电路、降低设计风险、避免昂贵的现场问题,并满足 ASIL 级安全、长期可靠性及量产稳健性的严格要求。
Mathcad 工程计算与文档服务
我们提供基于 Mathcad 的专业工程计算服务,支持汽车电子系统的设计、分析与验证。借助 Mathcad 的符号与数值计算能力,我们为电源电子、信号完整性、热分析、传感器接口、保护电路、可靠性评估以及安全关键计算等场景开发结构化、可追溯的工程工作表。
我们的 Mathcad 模型包含参数化公式、公差分析、自动限值检查、单位一致的表达方式,以及符合主机厂与一级供应商开发规范的工程化文档结构。这些工作表帮助工程师验证设计意图、评估设计方案,并在项目整个生命周期中保持一致的计算基线。
依托 Mathcad,我们能够交付专业的、适用于评审的计算包,从而提升计算准确性、减少人为错误,并支持满足行业要求,例如 ASIL 功能安全、DVP/验证计划以及设计签核流程。通过将 Mathcad 集成到开发流程中,我们协助客户加速设计决策、提升透明度,并确保在复杂汽车电子设计中的工程严谨性。
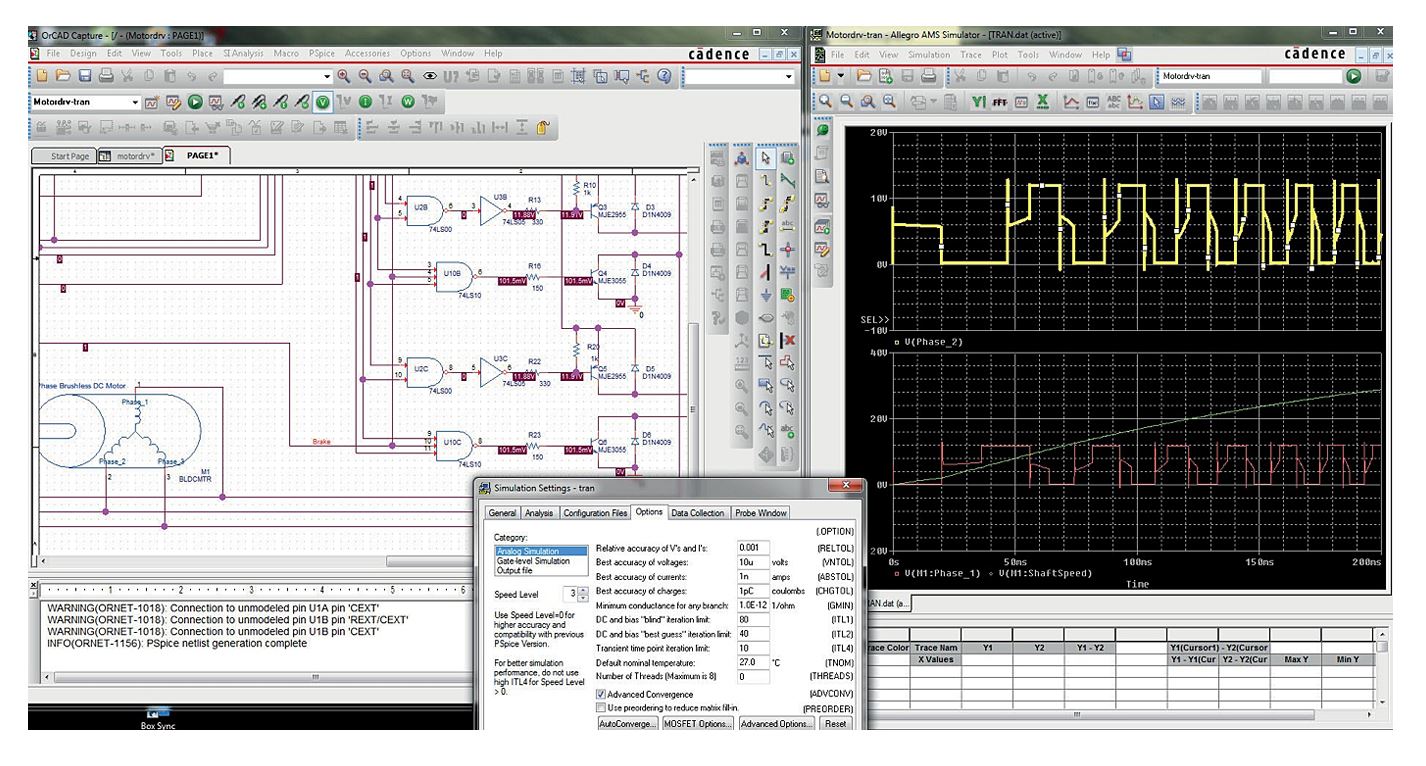
PSpice 电路仿真服务
我们提供专业的 PSpice 电路仿真服务,帮助您在产品进入硬件验证阶段之前先行发现潜在问题、优化设计并降低开发成本。我们支持从模拟电源、电机驱动、高速接口到混合信号系统等多种电路拓扑。
我们的服务包括:根据您的原理图或需求建立精确的 PSpice 模型, 进行稳态、瞬态、频率响应、噪声和容差等多类仿真分析, 优化元件参数,提高系统稳定性与可靠性, 输出完善的仿真报告,包含波形、关键指标和设计建议。
无论您处于概念验证、设计迭代还是可靠性验证阶段,我们都能提供快速、可量化、工程级的仿真支持,加速您的产品上市。
高速信号完整性(SI)仿真服务
我们提供先进的信号完整性(SI)仿真服务,确保高速汽车电子设计具备稳健的传输性能。借助行业领先的工具与方法,我们对关键高速接口进行全面分析,包括 DDR/LPDDR 内存接口、高速 SerDes、车载以太网(100/1000BASE-T1)、PCIe、USB 以及其他多千兆链路。
我们的 SI 工作流程涵盖传输线建模、阻抗调优、眼图分析、抖动与偏斜评估、串扰预测、回流路径验证,以及单端与差分信号的拓扑优化。我们构建精确的仿真模型,包括 IBIS/IBIS-AMI、SPICE 及 S 参数数据,用于评估电路在电压、温度、叠层变化以及制造公差下的性能。
通过前期(pre-layout)与后期(post-layout)SI 仿真,我们帮助客户在早期识别信号完整性风险、优化布线策略、验证叠层结构,并确保满足主机厂及接口标准的要求。
凭借仿真专业能力与深厚的汽车电子设计经验,我们能够交付通过 SI 验证的量产级设计,降低 EMI 风险、提升时序裕量,并确保系统在所有最坏工况下的可靠运行。
电源完整性(PI)仿真服务
我们提供全面的电源完整性(PI)仿真服务,确保高速汽车电子系统具备稳定、低噪声的电源供给。我们的分析覆盖整个 PDN(Power Delivery Network)行为,包括 DC、AC 及瞬态性能,以保证处理器、内存、SerDes 及混合信号器件在所有工作条件下都能获得干净且可靠的电源。
我们的 PI 能力包括 DC IR-drop 仿真、电流密度分析、AC 阻抗建模、去耦网络优化、环路稳定性评估以及瞬态负载阶跃响应验证。我们制定优化的去耦策略,选择合适的电容器并调整叠层结构,以在 OEM 或接口标准要求的频率范围内实现目标阻抗。
我们对谐振、平面噪声、过孔效应以及开关电流影响进行评估,从而及早发现可能影响信号完整性(SI)、EMI 特性或系统稳定性的 PI 风险。我们支持前期(pre-layout)和后期(post-layout)仿真,为设计架构提供指导并验证最终 PCB 实现。
通过数据驱动的 PI 分析与深厚的汽车电子设计经验,我们提供稳健的电源供电解决方案,提升系统可靠性、降低噪声并加速客户产品上市周期。
可靠性与 GMW3172 合规仿真服务
我们提供先进的电子可靠性仿真服务,利用 Sherlock 及其他行业标准工具,确保汽车电子设计满足严格的 GMW3172 要求。我们的能力涵盖基于失效物理(PoF)的 PCB、芯片与焊点可靠性分析,评估其在热循环、机械振动、冲击、跌落以及电源相关应力下的寿命与风险。
借助 Sherlock,我们可执行详细的疲劳寿命预测、焊点与器件级应力分析以及材料行为建模,从而在设计早期识别潜在失效模式并制定风险缓解策略。结合必要的有限元分析(FEA),我们能够评估复杂电路板在机械与热环境下的相互作用,确保产品能够在严苛汽车环境中保持稳健性能。
我们的仿真流程严格对齐 GMW3172 指南,覆盖电子组件在振动、冲击、热循环与机械可靠性方面的验证。交付内容包括结构化仿真报告、寿命预测数据以及可执行的设计优化建议,以支持主机厂认证、设计评审和量产准备。
通过将 PoF 驱动的可靠性分析与 GMW3172 合规要求相结合,我们帮助客户降低现场失效、提升产品稳健性,并加速汽车电子系统的上市周期。
汽车电子热仿真服务
我们提供全面的热仿真服务,确保汽车电子系统在各种工况下均能可靠运行。借助先进的计算工具,我们对 PCB、IC、电源模块及完整电子组件的热生成、散热及温度分布进行建模与分析。
我们的工作流程涵盖稳态与瞬态热分析、热点识别、气流与散热优化、热界面材料评估,以及器件布局指导。我们评估热耦合效应、结温至环境温度(Tj–Ta)及结温至外壳温度(Tj–Tc),确保高温条件下电源与信号完整性得以维持。
热仿真与电气及机械因素紧密结合,用于优化系统级设计、防止过热、降低热应力,并延长器件寿命。通过提供可执行的设计优化建议及经过验证的热模型,我们帮助客户开发稳健、可量产的电子产品,满足汽车可靠性与安全标准。







